VOC廢氣治理中煤化工企業處理工藝最復雜,VOC廢氣易揮發,被人體吸收后會引起內臟受損甚至引發癌變。煤化工企業VOC廢氣排放占據主要成分。此類廢氣含有氨氣、焦油、萘、酚、氰化物、甲烷類烴等物質直接排放到大氣中,是造成霧霾的罪魁禍首。特別是苯、硫化氫等物質,更是具有強烈的毒性,引起環境污染損壞人體健康,企業對于VOC廢氣治理刻不容緩。
煤化工VOCs的治理措施
煤化工生產過程產生的尾氣種類繁多、性質各異,發生源的特點亦不相同。根據其各自的特點,處理方法也多種多樣。目前常用的方法主要有化學吸收法、物理吸附法、冷凝回收法、燃燒法、催化分解法、氮封法以及通過壓力平衡系統引入煤氣負壓管網回收等。目前大部分焦化廠在設計時都設計有有害尾氣回收管道系統,在施工時已裝配有害尾氣回收系統,鼓風、粗苯、油庫等槽放散尾氣均接入了鼓風機前負壓管道。但由于安全原因,都沒有很好地發揮作用。一些單位在進行有害尾氣治理時,采用洗滌吸附法、吸附燃燒法、洗滌氧化法、吸收法等,尾氣治理工藝各有特點,效果各異,投資費用及運行費用也差別較大。
VOCs作為環保指標,之前很少在焦化廠中進行治理。但隨著國家環保形勢的加劇,民眾對于環保的意識也在提高,企業投入資金和技術對VOCs的排放進行治理,可以減少企業對環境的污染程度和范圍。
密閉槽體VOCs的治理
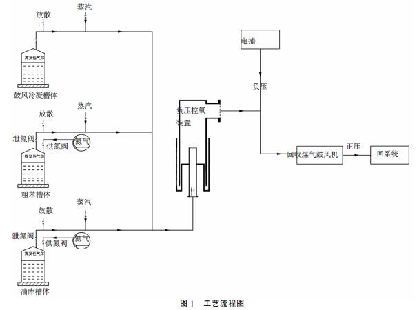
煤化工VOCs主要集中于回收區域,回收區域涉及范圍很廣,大致分為氨硫、粗苯、鼓風冷凝、洗滌、精脫硫、儲備站、油庫等工段。其中粗苯、鼓風冷凝、洗滌、油庫都有槽體。之前的工藝是每個槽體放散氣直接連通大氣來保證槽體內的壓力平衡,同時槽體內還有物料的進出。對于這種槽體的放散氣有很多種治理方法,但是考慮性價比,操作方便,投資小,真正實現零排放。一般都采用氮氣密封然后全負壓返回煤氣系統的處理工藝。此工藝需要槽體的密封效果好,這樣空氣不容易進入負壓區,可以更好地控制煤氣的含氧量。
放散氣全負壓返回煤氣系統工作原理
工藝流程見圖1。

首先對封閉式槽體安裝開閉式氮封裝置,當槽體進出料作業時,氮封閥進行供氮與泄氮作業,泄氮時部分尾氣隨氮氣排出。將封閉式槽體放散閥接入負壓系統,在風機前安裝一套微負壓控氧裝置,設定一定的壓力,剛好將這些槽體排出的尾氣吸入負壓系統,而不至于在風機壓力變化時將過多的氧氣吸入到負壓系統,從而產生安全隱患。
氮封技術主要是應用于庫區槽罐的密封。槽內液位下降或溫度降低時利用氮氣補充槽內氣體空間。通過氮氣充滿槽內液位上方,阻止液體介質持續氣化,抑制介質氣化逸出。當槽體進料液位上升或溫度升高造成槽內氣體壓力升高時,泄氮閥打開,氮氣逸出,從而保持槽內壓力平衡。該方法可有效減少庫存槽罐作業過程中的尾氣排放,也有利于提高槽罐本質安全水平。另外,氮氣屬于惰性氣體,與氧氣反應條件為4000oC電弧環境,因此不必考慮氮封廢氣發生化學反應對煤氣系統造成的不利影響。同時,氮封處理引入煤氣系統的廢氣量很少(最大量不到1000m3),對煤氣系統管道也不會產生不利影響。
敞開式有害尾氣排放點逸散氣處理
工藝流程見圖2。

這些區域分布較廣,收集尾氣比較困難,各個廢氣排放點形狀各異,需要制作不同的尾氣收集裝置,相比而言最經濟實用的是采取洗滌法來對尾氣進行處理。尾氣主要含氨、非甲烷總烴、硫化氫、萘、酚、苯類等有機物質。首先將此類廢氣進行收集,經管道引入洗滌塔,洗滌塔分為二次洗滌,下層使用冷凝液循環噴灑,除去廢氣中的苯類有機物,借由傳質吸收原理,以組分分壓壓差作為吸收推動力,嚴格控制操作壓力和溫度等操作因素,以達到較好的吸收效果。上段使用蒸氨廢水洗滌,通過對操作狀態的控制,對廢氣中的殘余有機物質達到吸收的目的。
由于各排放點形狀各異,大小不同,大多屬于敞開式排放點,需要根據每一個排放點的具體情況設計制作相應的收集裝置,需要功率匹配的風機,通過變頻器調節風機轉速來保證有害氣體的全部收集。處理后的廢氣送焦爐煙囪與焦爐廢氣一起排放或者可以直接排放。
VOC廢氣治理企業施工主要采用放散氣全負壓和敞開式有害尾氣處理,這兩種處理工藝可以有效形成廢氣的達標處理。安峰廢氣處理案例有蘇州易高廢氣處理項目、國際香料廢氣處理項目等,最大驗收的標準均是達標排放,給客戶創造了最大價值。關于VOC廢氣處理更多案例詳情,可以咨詢以下的服務熱線: